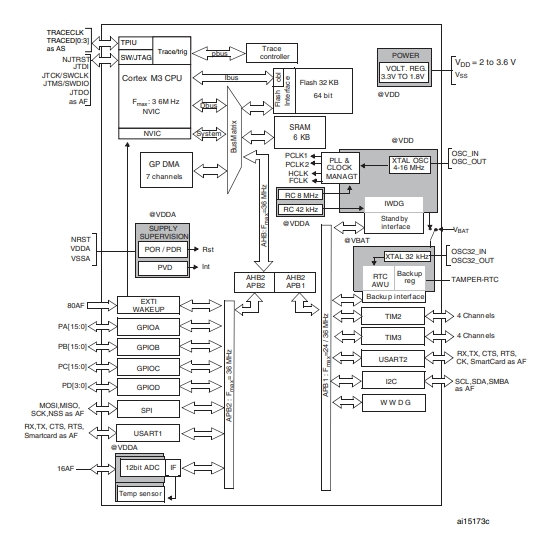
ST(意法半導體)的型號STM32F101T6U6A屬于32位MCU微控制器,包含了高性能的ARM Cortex?-M3 32位RISC核心,在36MHz頻率下工作,高速嵌入式存儲器(32千字節的閃存和4至6千字節的SRAM),以及廣泛的增強外設和連接到兩個APB總線的I/o。

STM32F101T6U6A提供標準通信接口(一個I2C,一個SPI和兩個usart),一個12位ADC和最多兩個通用16位計時器。STM32F101T6U6A低密度接入線系列工作在-40到+85°C的溫度范圍內,從2.0到3.6 V電源。一套全面的省電模式允許設計低功耗應用程序。
STM32F101T6U6A的功能特點
1、ARM Cortex-M3內核:STM32F101T6U6A采用了強大的ARM Cortex-M3內核,具有較高的性能和低功耗特性。ARM Cortex-M3內核具有32位指令集和高性能處理能力,適合于復雜的應用開發。
2、32位處理能力:STM32F101T6U6A是一款32位微控制器,相比傳統的8位和16位微控制器,具有更大的地址空間和更強的處理能力,能夠處理更復雜的任務。
3、大容量閃存存儲器:STM32F101T6U6A內置了32KB的閃存存儲器,能夠存儲大量的程序代碼和數據。閃存存儲器具有非易失性特性,能夠在斷電后保持數據的完整性。
4、多種外設接口:STM32F101T6U6A提供了多種外設接口,包括UART、SPI、I2C、ADC等,支持多種外設設備的連接和通信。這些接口能夠滿足不同應用場景的需求,擴展了微控制器的功能性。
5、多通道DMA控制器:STM32F101T6U6A還內置了多通道的DMA控制器,能夠實現數據的直接傳輸,減輕CPU的負擔,提高數據傳輸效率。DMA控制器還可以與其他外設模塊配合使用,實現高速數據傳輸和處理。
6、低功耗特性:STM32F101T6U6A具有較低的功耗特性,可應用于對電池壽命有較高要求的應用場景。在待機模式下,能耗可以降至最低。
STM32F101T6U6A的應用領域
STM32F101T6U6A是一款32位MCU微控制器,其主要應用領域如下:
1、工業自動化:STM32F101T6U6A可用于控制與監測工業自動化系統中的各種設備和過程。它能夠處理實時數據和反饋,執行精確的控制算法,并與其他設備進行通信,實現自動化生產和監控。
2、智能家居:該微控制器適用于智能家居領域,可用于控制和管理家庭中的各種智能設備,如照明系統、暖通空調系統、安防系統等。其低功耗特性和豐富的通信接口使得智能家居系統能夠實現高效能的自動化控制和遠程管理。
3、醫療設備:STM32F101T6U6A可用于醫療設備領域,如醫療監護設備、手術機器人、藥品配送系統等。其高性能和可靠性確保了設備的穩定運行,同時豐富的通信接口也使得設備可以與其他醫療設備進行數據交換和遠程管理。
4、智能交通:在智能交通系統中,STM32F101T6U6A可用于控制和管理交通信號燈、智能停車系統、交通監控設備等。它能夠處理大量的實時數據,并與其他設備進行通信,以實現智能化的交通管理和優化。
5、消費類電子產品:STM32F101T6U6A還可以應用于各種消費類電子產品中,如智能手機、平板電腦、游戲機等。其高性能和低功耗特性使得產品能夠提供流暢的用戶體驗,并可以與其他設備進行無線通信和數據交互。
STM32F101T6U6A的中文參數
品牌:ST(意法半導體)
產品分類:32位MCU
系列:STM32F1
是否無鉛:Yes
安裝類型:表面貼裝
封裝/外殼:VFQFN36
工作溫度:-40℃~+85℃
接口:I2C, IrDA, LINbus, SPI, UART/USART
零件狀態:Active
CPU內核:ARM Cortex-M3
核心尺寸:32-位
主頻速度(Max):36MHz
I/O數:26
程序空間容量:32KB
程序空間類型:閃存
工作電壓(范圍):2V~3.6V
內存RAM容量:6x8KB
內核規格:32Bit
STM32F101T6U6A的封裝引腳圖


STM32F101T6U6A的原理圖

STM32F101T6U6A的料號解釋圖

詢價列表 ( 件產品)
哦! 它是空的。