繼電器開關電路的設計和類型非常龐大,許多小型電子項目都使用晶體管和MOSFET作為其主要開關設備。
因為該晶體管可以從各種輸入源提供對繼電器線圈的快速DC開/關(ON/OFF)控制,因此這是一些常用繼電器開關方式的一小部分。
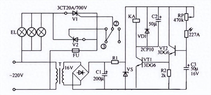
一、當白天在較強光照下時,光導管227A(一種光敏電阻)兩端阻值很小,約20~50kΩ,晶體管VT2獲得基極電流而導通,VT1從R2上得到正偏電壓也導通,繼電器線圈KA得電,繼電器的常閉觸點②、③斷開,兩只晶閘管V1和V2沒有觸發信號而不導通,燈泡EL不亮。
夜幕降臨時,隨著光照強度下降,光導管227A的阻值不斷增加,最終可達1MΩ左右,VT1因基極電流太小而截止,VT1也相應截止,繼電器KA失電釋放,常閉觸點②、③閉合,晶閘管V1、V2因其兩控制相連而處于雙向導通狀態,電源被接通,照明燈亮。

繼電器開關電路接線圖及原理
圖中,電容器C3用于防止夜間瞬時強光干擾引起照明燈熄滅。
而當光亮強度在臨界點附近緩慢變化時,易引起繼電器顫動而使燈光閃動,C2可以過濾掉脈沖電流,避免照明燈閃亮。
二、將兩個單獨的晶體管配置為達林頓開關對,向第一晶體管TR1施加正基極電流會自動使開關晶體管TR2 “導通” 。

繼電器開關電路接線圖及原理-2
如果將兩個單獨的晶體管配置為達林頓開關對,則通常在主開關晶體管TR2的基極和發射極之間放置一個小電阻(100至1,000Ω),以確保其完全截止。
同樣,使用續流二極管保護TR2免受繼電器線圈斷電時產生的反電動勢的影響。
三、汽車繼電器有四腳繼電器和五腳繼電器之分,汽車四腳繼電器先把汽車繼電器的4個引腳找出哪2個是線圈,哪2個是觸點按圖接接就行了。

繼電器開關電路接線圖及原理-3
2個引腳之間是絕緣的就是常開觸點3和4。另2個引腳就是線圈1和2。當開關打下繼電器1、2端的電磁線圈將3端與4端結合。
汽車四腳繼電器分85 / 86/ 87 /(30A/87A)的4條線。
85/86這兩條是喇叭控制線,85接控制線的正極,86搭鐵喇叭的另一個接線柱,不分正負極。
87接電瓶正極,30A/87A接需要控制的電器的正極線。
詢價列表 ( 件產品)
哦! 它是空的。