在工業控制、智能儀表等產品中,RS-485是被廣泛應用的通信標準;對于工廠自動化、電網輸配電設備、光伏逆變和其它可能存在高壓的系統,高壓和低壓域之間的通信需要具有電氣隔離的RS-485節點。隔離的RS-485節點除了可以保護電路,更重要的是可以保護操作人員免受高壓和有害的電壓瞬變的影響。
貝嶺Belling BL7385和BL7390隔離485收發器,可確保在工廠車間等高噪聲環境中的可靠通信。
高可靠性
BellingRS-485
全系列產品采用雙隔離柵串聯技術。
最大工作隔離電壓VIOWM高達2121VDC。
抗浪涌能力超12kV,±100kV/μs CMTI,大于50年的隔離柵壽命。
總線引腳ESD保護:±15kV IEC 61000-4-2,接觸放電。
內置失效保護電路,保證接收器輸入端在開路或短路時,接收器的輸出端處于邏輯高電平狀態。
使用限擺率驅動器,能顯著減小EMI和由于不恰當的終端匹配電纜所引起的反射。
主要參數
速率:500Kbps(BL7385)
16Mbps(BL7390)
接收器輸入阻抗為1/8單位負載, 256個總線節點(BL7385)
接收器輸入阻抗為1單位負載, 32個總線節點(BL7390)
全系列最大隔離電壓VISO 5kVRMS
總線引腳ESD保護:±15kV IEC 61000-4-2,接觸放電
失效保護功能
封裝:SOW16L(寬SOIC16)
應用領域
隔離RS-485通訊
工業自動化
光伏逆變器
電表
白色家電
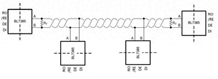
典型應用圖

選型表

詢價列表 ( 件產品)
哦! 它是空的。