高性能千兆隔離器重磅發布!川土微電子充分發揮公司在射頻與隔離器領域的深厚積累與技術優勢,推出高性能1000M數字隔離器:CA-IS303xT 1.1Gbps、雙通道隔離LVDS。
01產品概述
CA-IS303xT是隔離低電壓差分信號(LVDS)緩沖器,最大工作速率可達1.1Gbps。符合TIA/EIA-644-A LVDS協議,并提供多通道配置。LVDS緩沖器包含了故障保護機制,保證在接收端開路、短路、空閑時,輸出為邏輯高。
CA-IS303xT提供兩種供電方式。VIN可以外接3.3V,器件內部集成的LDO可以將該3.3V轉換成2.5V 。或者VIN外接2.5V,則需要將VDD同時接到VIN。兩種方式下VDD電壓都為2.5V,給器件內部LVDS和數字隔離器電路供電。該產品可提供20腳寬體SOIC封裝,支持3750VRMS隔離耐壓。
02產品特性
?符合EN55032 Class B輻射標準的1.1Gbps 的雙通道隔離LVDS緩沖器
? 高達3750VRMS隔離耐壓
?2.5V/3.3V供電電壓
?高共模瞬態抗擾度:大于25 kV/μs
? 故障保護:接收端開路、短路、空閑狀態下,輸出為高
?典型情況下3.5ns傳輸延遲
? 可在1.1Gbps信號速率下保證低信號抖動
- 典型情況隨機抖動4ps(RMS)
- 典型情況1.1Gbps下總抖動(峰峰值)106ps
? 電源紋波及毛刺抑制:-80dBc
?LVDS端口ESD(IEC61000-4-2):±7000V
?寬體20腳SOIC封裝
?溫度范圍:–40°C 至125°C
03典型應用
?通信設備
? 視頻數據隔離傳輸
? 工業高速模擬前端模塊
? 工業高速串行信號鏈通信模塊
04應用圖

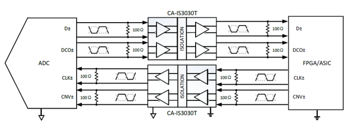
隔離模擬前端應用示例(用CA-IS3030T隔離ADC)

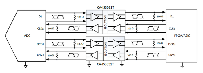
隔離模擬前端應用示例(用CA-IS3031T隔離ADC)
05典型測試波形

信號傳輸延時

信號傳輸眼圖
詢價列表 ( 件產品)
哦! 它是空的。