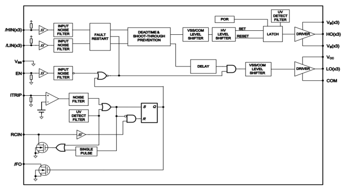
AGD8136A/AGD8236A是600V 6通道柵極驅動器IC,用于控制三相逆變器系統中的IGBT和功率MOS晶體管。由于特殊設計的共模濾波器,它在瞬態電壓變化。

特征
最大閉鎖電壓+600V
?輸出電流:+200mA/-350A(典型)
?所有信道的匹配傳播延遲
?射穿(交叉傳導)保護
?欠電壓鎖定保護(UVLO)
?過電流保護(OCP)
?與UV(Vcc電源)和OCP相對應的故障輸出
?故障條件下關閉所有通道
?可調故障輸出持續時間
?兼容3.3V/5V CMOS和TTL輸入邏輯
?輸入邏輯:施密特觸發器接收器電路(低電平有效)
應用
三相電機驅動
家用電器
通用IGBT和功率MOS柵極驅動器
方框圖

引腳

封裝

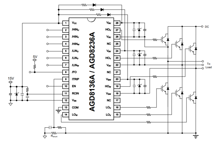
典型應用電路圖

詢價列表 ( 件產品)
哦! 它是空的。