DS560DF810 是一款具有集成信號調節功能的 八通道多速率重定時器。可擴展有損耗且存在串擾的遠距離高速串行鏈路的長度并提升其穩定性。
DS560DF810 中的每個通道均可獨立鎖定 19.6GBd 至 28.9GBd 連續范圍內的符號速率(PAM4 和 NRZ),或任何支持的子速率。集成的 CDR 功能可重置抖動預算并重定時高速串行數據,是前端口光學模塊應用的理想選擇。這些特性可實現獨立信道前向糾錯 (FEC) 直通。此外, DS560DF810 還支持 CDR 自動通道速率切換,可在無需主機干預的情況下鎖定多達五種不同的波特率和調制類型組合。

DS560DF810 先進的均衡特性包括一個連續自適應時間線性均衡器 (CTLE)、RX 前饋均衡器 (FFE)、決策反饋均衡器 (DFE) 和一個可編程、低抖動、4 抽頭 TX 前饋均衡器 (FFE) 濾波器。這些特性可實現有損耗互連的長度擴展,例如直連銅 (DAC) 纜以及具有多個連接器且存在串擾的背板。
DS560DF810 配有位多路復用器和多路信號分離器齒輪箱,可在主機和模塊間輕松實現 NRZ 至 PAM4 或 PAM4 至 NRZ 的轉換。該齒輪箱可將一對速率高達 28.9GBd 的 NRZ 輸入聚合為一個 28.9GBd PAM4 輸出,也可將一個 28.9GBd PAM4 輸入解聚為一對 28.9GBd NRZ 輸出。
DS560DF810 在 CDR 后的每對相鄰通道之間都具有一個完整的 2x2 交叉點開關,可支持快速、靈活的通道切換以實現靈活的 PCB 路由,支持 2 到 1 多路復用和 1 到 2 多路分解以實現故障轉移冗余,還支持 1 對 2 扇出以實現診斷監控。此外,PCB 上集成了物理交流耦合電容器(TX 和 RX),無需使用外部電容器。這些特性可降低 PCB 布線的復雜程度并節省物料清單 (BOM) 成本。
診斷功能包括無損 PAM4/NRZ 垂直眼高監視器、2D PAM4/NRZ 眼圖張開度監視器 (EOM)、具有錯誤注入模塊的 PRBS 圖形發生器、PRBS 錯誤校驗器和片上溫度傳感器。這些特性可幫助測量鏈路裕量,并用于監測系統隨時間推移的運行情況。
DS560DF810 可通過 I 2C 或外部 EEPROM 進行配置。單個 EEPROM 最多可由 16 個器件共享。
特性
具有集成信號調節功能的通道多協議重定時器
所有通道均可獨立鎖定 19.6GBd 至 28.9GBd 的 PAM4 和 NRZ 數據速率(包括 1/2 和 1/4 子速率)
適用于高達 CEI-56G、以太網? (400GbE)、光纖通道 (64GFC)、InfiniBand? (HDR) 和 CPRI/eCPRI PCB、銅纜和光學應用
CDR 自動通道速率切換可鎖定多達五種不同的波特率和調制類型組合
低延遲:26.5625GBd 時小于 2000ps(典型值)
連續自適應時間線性均衡器 (CTLE)、RX 前饋均衡器 (FFE) 和決策反饋均衡器 (DFE) 搭配使用,可在 13.28GHz 下支持超過 30dB 的通道損耗
集成 2x2 交叉點開關
可調節 4 抽頭 TX FFE 濾波器
齒輪箱模式支持(NRZ/PAM4 位多路復用器/多路信號分離器、NRZ/PAM4 串行器/解串器)
用于調試的片上眼圖張開度監視器 (EOM)、PRBS 發生器和 PRBS 校驗器
雙電源:1.8V 和 1.2V
工作溫度范圍:-40°C 至 +85°C
帶有集成交流耦合電容器的 8.00mm x 13.00mm BGA 封裝
應用
? 有源電纜 (AEC)(QSFP-DD、OSFP)
? 前端口 C2M 連接單元接口 (AUI) 抖動消除
? 背板 (KR) 和中板 C2C 連接單元接口 (AUI) 范圍擴 展
? 通過 NRZ 和 PAM4 聚合和解聚實現速度加倍(齒 輪箱)
參數

封裝


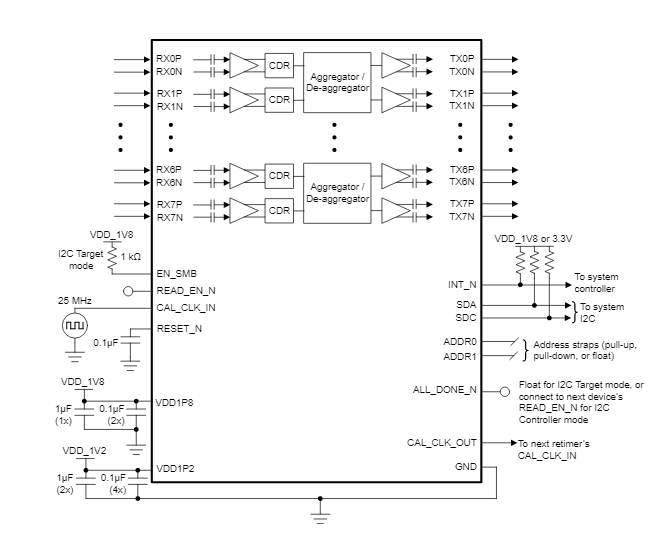
簡化版原理圖
詢價列表 ( 件產品)
哦! 它是空的。