ADI亞德諾公司生產的MAX77654芯片提供高度集成電池充電和電源方案,適用于尺寸和效率至關重要的低功耗應用。器件具有SIMO升/降壓調節器,提供三路獨立可編程電源軌,采用單電感,可最大程度減小方案尺寸。兩個100mA LDO提供紋波抑制,適用于音頻和其它噪聲敏感的應用。LDO也可配置為負載開關,通過在不需要供電時斷開外部電路來降低功耗。高度可配置的線性充電器支持較寬范圍的Li+電池,包括電池溫度監測,進一步提高安全性(JEITA)。
器件包括3個GPIO和1個模擬多路復用器,將多路內部電壓和電流切換至外部節點,便于利用外部ADC進行監測。雙向I2C串行接口允許配置和檢查器件的狀態。內部開/關控制器為調節器提供受控的啟動順序,并在器件工作時提供監控功能。豐富的工廠可編程選項允許針對眾多應用定制器件,支持較快的上市時間。
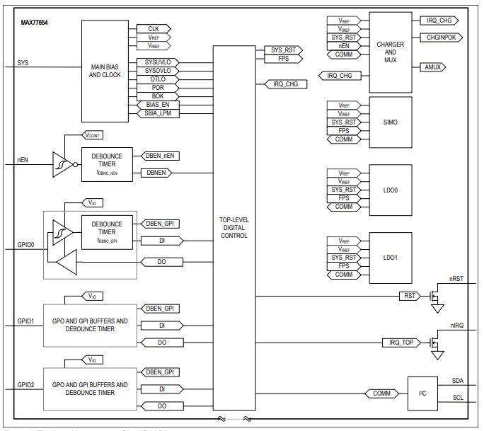
MAX77654功能框圖

MAX77654引腳圖

MAX77654電路圖

MAX77654優勢和特點
低功耗
出廠運輸模式(<200nA IQ)
關斷電流:300nA
IQ典型值為6μA,在低功耗模式下使能所有輸出(3個SIMO和2個LDO)
智能Power Selector? Li+/Li聚合物電池充電器
可編程充電電流:7.5mA至300mA
可編程充電電壓:3.6V至4.6V
可編程終止電流:0.375mA至45mA
用于安全充電的JEITA電池溫度監控器
單電感多輸出(SIMO)穩壓器
3個降壓/升降壓穩壓器,1個電感器
輸入電壓范圍:2.5V至5.5V
輸出電壓范圍:0.8V至5.5V
總輸出電流:500mA(3.7VIN、1.8VOUT)
高達91%效率(3.7VIN、1.8VOUT)
低壓差穩壓器(LDO)
2路輸出可配置為LDO或負載開關(LSW)
輸入電壓范圍:1.71V至5.5V(LDO模式下)
輸入電壓范圍:1.3V至5.5V(LSW模式下)
輸入電壓范圍:0.8V至3.975V(LDO模式下)
最高輸出電流:100mA
靈活的電源時序控制器(FPS)
3個GPIO資源
專用使能引腳
I2C接口
看門狗定時器
用于功率監控的模擬MUX輸出
2.79mm x 2.34mm、30引腳、0.4mm間距晶圓級封裝(WLP)
解決方案尺寸:< 40mm2<.sup>
應用領域
藍牙耳機、耳戴式設備
無線揚聲器
健身、健康和活動監測儀
可穿戴設備
安全和保密監測器
傳感器節點
便攜式消費電子設備
物聯網(IoT)
詢價列表 ( 件產品)
哦! 它是空的。