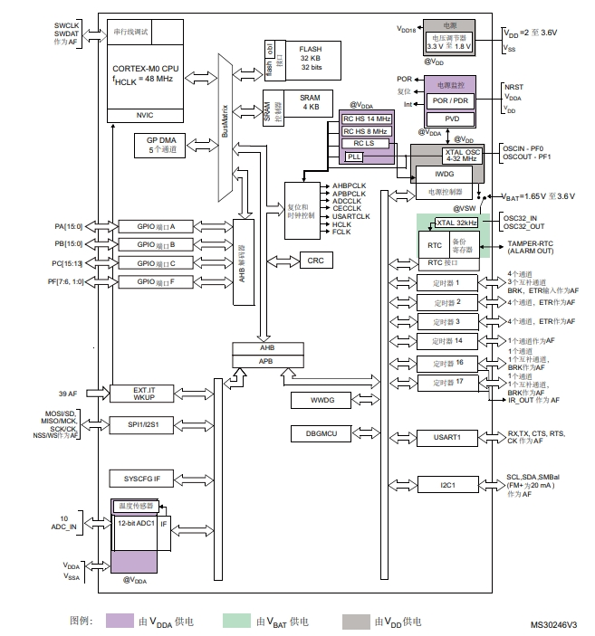
ST(意法半導體)的型號STM32F031F6P6TR屬于32位MCU微控制器,包含高性能的ARM? Cortex?-M0 32位RISC內核,工作頻率48MHz。高速嵌入式存儲器 (高達32 K字節的Flash和4K字節的SRAM),以及 廣泛的增強型外設和 I/O。STM32F031F6P6TR提供標準通信接口 (一個I2C、一個SPI/I2S、一個USART)、一個12位ADC、高達五個通用16位定時器、一個32位定時器、一個高級控制PWM定時器。

STM32F031x4/x6 微控制器的工作溫度范圍是-40至+85 °C 和-40至+105 °C,工作電壓為2.0至3.6V。適合低功耗應用設計的一組完整的節電模式。
意法半導體STM32F031F6P6TR的中文參數
品牌:ST(意法半導體)
產品分類:32位MCU
程序存儲器類型:閃存
RAM大小:4K x 8
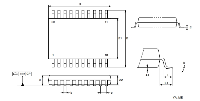
封裝:TSSOP-20
電壓-供電(Vcc/Vdd):2V ~ 3.6V
商品標簽:通用類MCU
數據轉換器:A/D 12x12b
核心處理器:ARM Cortex-M0
振蕩器類型:內部
內核規格:32-位
工作溫度:-40°C ~ 85°C(TA)
速度:48MHz
安裝類型:表面貼裝型
連接能力:I2C,IrDA,LINbus,SPI,UART/USART
基本產品編號:STM32
外設:DMA,I2S,POR,PWM,WDT
程序存儲容量:32KB(32K x 8)
I/O數:15
意法半導體STM32F031F6P6TR的功能特點
1、高性能處理能力:STM32F031F6P6TR采用了ARM Cortex-M0內核,工作頻率高達48MHz,能夠實現快速的數據處理和響應。它提供了高性能和低功耗的平衡,適用于多種應用場景。
2、豐富的外設接口:STM32F031F6P6TR配備了多種外設接口,包括多個通用IO引腳、SPI、I2C、USART等串行通信接口,以及多個定時器和PWM輸出引腳,滿足了不同應用需求。
3、豐富的存儲器:STM32F031F6P6TR內置了32KB的Flash存儲器和4KB的SRAM,可以用于存儲代碼和數據。同時,它還支持外部存儲器擴展,如串行閃存、EEPROM等。
4、多種中斷處理機制:STM32F031F6P6TR支持多種中斷觸發方式,包括外部中斷、定時器中斷和串口中斷等。這些中斷機制可以提高系統的實時性和可靠性。
5、低功耗設計:STM32F031F6P6TR具有低功耗特性,支持多種低功耗模式,以滿足對電池壽命和能耗要求較高的應用場景。
6、強大的時鐘和時序控制:STM32F031F6P6TR具有靈活的時鐘和時序控制功能,可以根據具體應用需求進行配置,以實現良好性能和功耗平衡。
7、完善的開發工具支持:意法半導體為STM32F031F6P6TR提供了完善的開發工具鏈,包括基于Keil、IAR、GCC等的開發環境和調試工具。此外,還提供了豐富的軟件庫和示例代碼,簡化了開發過程。
8、高可靠性和安全性:STM32F031F6P6TR具有多種硬件和軟件機制來提高系統的可靠性和安全性,如CRC校驗、獨立看門狗、硬件加密等。
意法半導體STM32F031F6P6TR的應用領域
STM32F031F6P6TR是一款32位微控制器,其主要應用領域如下:
工業自動化:STM32F031F6P6TR可以用于工廠自動化、過程控制、傳感器數據采集和監控系統等應用。它具有高性能和實時性能,適用于處理復雜的控制算法和通信協議。
智能家居:STM32F031F6P6TR在智能家居領域有廣泛的應用,如智能燈光控制、家庭安全系統、溫度和濕度監測、智能插座等。它可以與各種傳感器和執行器集成,實現遠程控制和監測功能。
智能交通:STM32F031F6P6TR可以用于汽車、船舶和其他交通工具的控制系統。它可以處理車輛傳感器數據、執行車輛控制算法,并與其他車載設備進行通信,如GPS導航系統、安全氣囊系統等。
醫療設備:STM32F031F6P6TR廣泛應用于醫療設備,如血壓監測器、血糖儀、心臟監測器等。它具有低功耗和高精度的特點,非常適用于電子醫療設備的控制與數據處理。
消費電子:STM32F031F6P6TR可應用于各種消費電子產品,如智能手機、平板電腦、智能手表等。它具有較高的處理能力和可擴展性,可以支持復雜的應用程序和圖形界面。
物聯網設備:STM32F031F6P6TR是物聯網應用的理想選擇,可以用于各種連接設備和傳感器的智能網關、數據采集和通信控制。它具有低功耗和高度集成的特點,適合于長時間運行的物聯網應用。


意法半導體STM32F031F6P6TR的引腳封裝圖

意法半導體STM32F031F6P6TR的功能方框圖

意法半導體STM32F031F6P6TR的型號解釋圖
詢價列表 ( 件產品)
哦! 它是空的。