Infineon(英飛凌)生產的型號IR2136STRPBF屬于電源芯片中的柵極驅動IC,是高電壓、高速功率MOSFET和IGBT驅動器,具有三個獨立的高側和低側參考輸出通道,用于三相應用。專有的HVIC技術使堅固的整體結構。邏輯輸入兼容CMOS或LSTTL輸出,低至3.3V邏輯。一個終止所有六個輸出的電流脫扣函數可以從一個外部電流感應電阻導出。一個使能函數可以同時終止所有六個輸出。漏開故障信號表示發生過流或欠壓停機。過流故障條件在外部通過連接到RCIN輸入的RC網絡編程延遲后自動清除。輸出驅動器具有高脈沖電流緩沖級,設計用于最小的驅動器交叉傳導。傳播延遲匹配,以簡化在高頻應用中的使用。浮動通道可用于驅動高側配置的n通道功率MOSFET和IGBT,其工作電壓可達600v。

IR2136STRPBF的功能特點
1、集成驅動器:IR2136STRPBF具有三相橋式驅動器,可直接控制三相電機的速度和方向。它通過電流控制驅動器來提供電流解決方案,可實現高效性能和低功耗。
2、內置保護功能:IR2136STRPBF具有多種內置保護功能,包括過熱保護、過流保護和短路保護等,可保護電機、驅動器和其他電路免受損壞和故障。
3、高速開關技術:IR2136STRPBF采用高速開關技術,能夠提供快速的開關速度和精確的控制,以提高電機的響應時間和效率。
4、軟件可編程:IR2136STRPBF支持軟件可編程,可以根據具體的應用需求進行程序編寫和調整。用戶可以根據自己的要求定制特定的電機控制算法。
5、電源電壓范圍寬:IR2136STRPBF適用于廣泛的電源電壓范圍,可以在12V到600V的供電電壓下運行,具有較高的適應性。
IR2136STRPBF的中文參數
品牌:Infineon(英飛凌)
產品分類:柵極驅動IC
封裝:SOIC-28
包裝:圓盤
電壓-供電:10V~20V
工作溫度:-40°C~150°C(TJ)
安裝類型:表面貼裝型
基本產品編號:IR2136
HTSUS:8542.39.0001
驅動配置:半橋
通道類型:3相
驅動器數:6
柵極類型:IGBT,N溝道MOSFET
邏輯電壓-VIL,VIH:0.8V,3V
電流-峰值輸出(灌入,拉出):200mA,350mA
輸入類型:反相
上升/下降時間(典型值):125ns,50ns
高壓側電壓-最 大值(自舉):600V
產品應用:汽車級
IR2136STRPBF的應用領域
IR2136STRPBF主要應用領域如下:
電動工具:IR2136STRPBF適用于電動工具,如電鉆、電動鋸和電動切割機等工具的電動機驅動。
電動車輛:這款驅動器還可以用于電動車輛的電動機驅動控制,包括電動汽車、電動自行車等。
工業自動化:IR2136STRPBF可用于傳送帶驅動、泵驅動、機床控制、自動倉儲系統等工業自動化應用中。
空調和制冷:該驅動器可用于空調和制冷系統中的壓縮機驅動以及風扇和傳送帶驅動。
IR2136STRPBF的引腳封裝圖


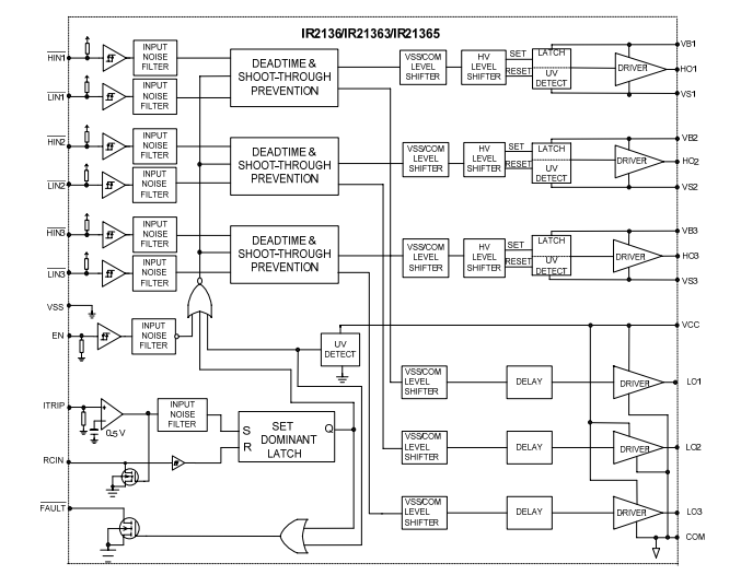
IR2136STRPBF的功能方框圖

IR2136STRPBF絲印說明

詢價列表 ( 件產品)
哦! 它是空的。