ADI(亞德諾)的型號AD620ARZ-REEL7屬于通用放大器,是低成本、高精度的儀表放大器,只需要一個外部電阻就可以將增益設置為1到10000。
AD620ARZ-REEL7具有8引腳SOIC和DIP封裝,比離散設計更小,提供更低的功率(僅1.3 mA最 大電源電流),使其非常適合電池供電,便攜(或遠程)應用。

AD620ARZ-REEL7具有40ppm最 大非線性的高精度,50μV max的低偏置電壓,0.6μ V/°C max的偏置漂移,非常適合用于精密數據采集系統,如稱重秤和傳感器接口。
此外,AD620ARZ-REEL7的低噪聲、低輸入偏置電流和低功率使其非常適合于醫療應用,如ECG和無創血壓計。通過在輸入級使用Super?eta處理,使1.0nA max的低輸入偏置電流成為可能。
AD620的輸入電壓噪聲較低,1khz為9nv/√Hz, 0.1Hz~10hz為0.28μV p-p,輸入電流噪聲為0.1 pA/√Hz,作為前置放大器效果良好。此外,AD620非常適合于多路應用,其穩定時間為15μs至0.01%,其成本足夠低,使設計每個通道一個in-amp。
亞德諾AD620ARZ-REEL7的中文參數
品牌:ADI(亞德諾)
產品分類:通用放大器
封裝/外殼:SOIC8_150MIL
電源電壓,單/雙(±):4.6V~36V,±2.3V~18V
輸入失調電壓(Vos):30μV
安裝類型:SMT
工作溫度:-40℃~+85℃
壓擺率:1.2V/μs
增益帶寬積(GBP):1MHz
-3db帶寬:1MHz
輸入偏置電流:500pA
通道數:1
長x寬/尺寸:5.00 x 4.00mm
高度:1.75mm
元件生命周期:Active
亞德諾AD620ARZ-REEL7的功能特點
1、高精度放大:AD620ARZ-REEL7具有高增益、高精度的放大功能,可用于放大各種傳感器或信號源的微弱信號。
2、低噪聲:AD620ARZ-REEL7采用了低噪聲設計,能夠有效減小對輸入信號的干擾,提供清晰的放大信號。
3、寬輸入電壓范圍:AD620ARZ-REEL7可在寬范圍的電壓供應下工作,從單電源供電資源到雙電源供電資源都可以適用。
4、內置增益調節:AD620ARZ-REEL7內置了可調節的增益,可以通過外部電阻來調整放大倍數,方便根據不同需求進行精確放大。
5、低功耗:AD620ARZ-REEL7采用低功耗設計,能夠在待機模式下降低功耗,延長電池壽命。
6、溫度穩定性:AD620ARZ-REEL7具有良好的溫度穩定性,能夠在不同的溫度環境下提供穩定的放大性能。
亞德諾AD620ARZ-REEL7的應用領域
AD620ARZ-REEL7是一款高性能的放大器芯片,其主要應用領域如下:
1、工業自動化:用于傳感器信號放大和處理、壓力、溫度、流量等參數的檢測和控制。
2、醫療儀器:用于心電圖(ECG)放大、血壓檢測、生物電信號放大等醫療設備中。
3、儀器儀表:用于高精度測量、信號放大和處理。
4、溫度測量:用于熱電偶信號放大、溫度傳感器信號放大等。
5、傳感器放大:用于各種傳感器輸入信號放大,如光電傳感器、氣體傳感器、加速度傳感器等;
6、電池供電設備:用于對電池的電壓和電流進行測量和監控。

AD620ARZ-REEL7的引腳圖

AD620ARZ-REEL7的封裝圖

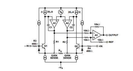
AD620ARZ-REEL7的功能方框圖
詢價列表 ( 件產品)
哦! 它是空的。