ST(意法半導體)的型號STM32F042K6T7屬于32位MCU微控制器,集成了高性能ARM?Cortex?-M0 32位RISC核心,工作頻率高達48MHz,高速嵌入式存儲器(高達32千字節的閃存和6千字節的SRAM),以及廣泛的增強外設和I/o。

STM32F042K6T7提供標準通信接口(一個I2C,兩個spi /一個I2S,一個HDMI CEC和兩個USARTs),一個USB全速設備(無晶體),一個CAN,一個12位ADC,四個16位計時器,一個32位計時器和一個高級控制PWM計時器。STM32F042x4/x6微控制器工作在-40到+85°C和-40到+105°C的溫度范圍內,從2.0到3.6V電源。一套全面的省電模式允許設計低功耗應用程序。
意法半導體STM32F042K6T7的中文參數
品牌:ST(意法半導體)
產品分類:32位MCU
系列:STM32F0
是否無鉛:Yes
安裝類型:表面貼裝
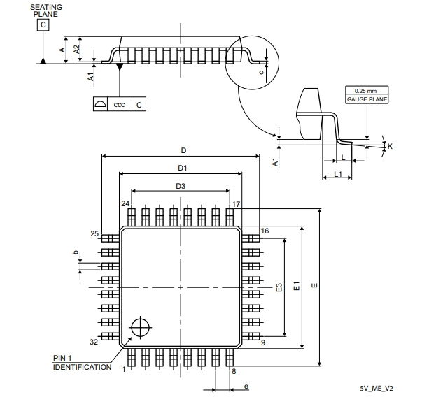
封裝/外殼:LQFP32_7X7MM
工作溫度:-40℃~+105℃
接口:CANbus,HDMI-CEC,I2C,IrDA,LINbus,SPI,UART/USART,USB
零件狀態:Active
CPU內核:ARM Cortex-M0
核心尺寸:32-位
主頻速度(Max):48MHz
I/O數:26
程序空間容量:32KB(32Kx8)
程序空間類型:閃存
工作電壓(范圍):1.65V~3.6V
連接性:CAN,HDMI-CEC,I2C,IrDA,LIN,SPI,UART/USART,USB
內存RAM容量:6KB
EEPROM容量:OriginalKB
長x寬/尺寸:7.00 x 7.00mm
高度:1.60mm
元件生命周期:Active
ADC分辨率:12
引腳數:32Pin
意法半導體STM32F042K6T7的功能特點
高性能:STM32F042K6T7采用ARM Cortex-M0內核,頻率可達48MHz,擁有高性能的處理能力,可以處理復雜的任務和實時應用程序。
豐富的外設:STM32F042K6T7集成了豐富的外設,包括多個通用定時器和計數器、Pulse Width Modulation(PWM)輸出、12位ADC(模數轉換器)等,為用戶提供了更多的接口和功能擴展能力。
多種通信接口:STM32F042K6T7支持多種通信接口,包括SPI(串行外設接口)、I2C(串行總線接口)和UART(通用異步收發器),方便與其他設備進行數據交換和通信。
安全性:STM32F042K6T7具有硬件加密和校驗功能,支持數據的安全存儲和傳輸,有效防止數據被非法獲取和篡改。
低功耗:STM32F042K6T7采用動態功耗管理技術,具有多種低功耗模式,可根據應用需要靈活配置功耗消耗,從而延長電池壽命。
豐富的開發工具和資源:意法半導體提供了豐富的開發工具和資源,包括易于使用的集成開發環境(IDE)和示例。
意法半導體STM32F042K6T7的應用領域
STM32F042K6T7是一款微控制器芯片,其主要應用領域如下:
智能家居:STM32F042K6T7可以用于構建智能家居系統,控制和管理家庭中的燈光、電器設備、安防系統、溫濕度傳感器等。它提供了豐富的通信接口,如UART、SPI、I2C等,可以與各種傳感器和外部設備進行連接。
醫療設備:由于STM32F042K6T7具備高度精確的計算和穩定性,因此它被應用于醫療設備領域。它可以用于心率監測、血糖檢測、體溫測量等醫療器械的控制和數據處理。
工業自動化:STM32F042K6T7具備高度集成、低功耗和強大的計算能力,可用于控制和監控工業自動化系統。它可以用于控制機器人、傳感器、電機驅動器、通信接口等設備,實現工廠自動化和工藝控制。
STM32F042K6T7的引腳封裝圖


STM32F042K6T7的功能方框圖

STM32F042K6T7的型號解釋圖

詢價列表 ( 件產品)
哦! 它是空的。