ST(意法半導體)的型號STM32G030J6M6屬于32位MCU微控制器,基于高性能Arm?Cortex?-M0+32位RISC內核,工作頻率高達64MHz。它們提供了高級別的集成,適用于消費者、工業和家電領域的廣泛應用,并為物聯網(IoT)解決方案做好了準備。

STM32G030J6M6包括存儲器保護單元(MPU)、高速嵌入式存儲器(8KB SRAM和高達64KB閃存,具有讀保護、寫保護)、DMA、廣泛的系統功能、增強的I/O和外圍設備。
STM32G030J6M6提供標準通信接口(兩個I2C、兩個SPI/一個I2S和兩個USART)、一個12位ADC(2.5 MSps),最多19個通道、一個低功耗RTC、一個高級控制PWM定時器、四個通用16位定時器、兩個看門狗定時器和一個SysTick定時器。
STM32G030J6M6的中文參數
品牌:ST(意法半導體)
產品分類:32位MCU
封裝:8-SOIC
包裝:管
核心處理器:ARM Cortex-M0+
內核規格:32-位
速度:64MHz
連接能力:I2C,IrDA,LINbus,SPI,UART/USART
外設:DMA,I2S,POR,PWM,WDT
I/O數:6
程序存儲容量:32KB(32K x 8)
程序存儲器類型:閃存
EEPROM容量:-
RAM大小:8K x 8
電壓-供電(Vcc/Vdd):2V ~ 3.6V
數據轉換器:A/D 8x12b
振蕩器類型:內部
工作溫度:-40°C ~ 85°C(TA)
安裝類型:表面貼裝型
基本產品編號:STM32
HTSUS:8542.31.0001
商品標簽:高性能MCU
STM32G030J6M6的功能特點
1、ARM Cortex-M0+內核:STM32G030J6M6搭載了ARM Cortex-M0+ 32位處理器內核,具有高性能和低功耗的特點,適用于各種嵌入式控制應用。
2、閃存和SRAM內存:STM32G030J6M6內置了64KB的閃存和8KB的靜態隨機存取內存(SRAM),可用于存儲程序代碼和數據,滿足復雜應用的需求。
3、豐富的外設接口:STM32G030J6M6具有豐富的外設接口,包括多個通用定時器、通用串行接口、SPI、I2C、USART、以太網MAC、高性能模擬模塊等,可以滿足不同類型的外設連接需求。
4、低功耗特性:STM32G030J6M6在設計上注重了低功耗特性,可以通過靈活的休眠模式和低功耗運行模式來降低系統功耗,延長電池壽命,適用于各種便攜式設備。
5、完整的片上集成功能:STM32G030J6M6集成了豐富的外設和功能模塊,包括模擬比較器、PWM控制器、ADC/DAC轉換器、時鐘控制器等,可減少外部元件的使用,簡化系統設計,提高集成度和系統性能。
6、安全性功能:STM32G030J6M6支持硬件加密和安全引導功能,可提供數據和代碼的安全保護,防止信息泄露和惡意攻擊。
STM32G030J6M6的應用領域
STM32G030J6M6是一款低功耗、高性能的32位ARM Cortex-M0+微控制器,其主要應用領域如下:
1、工業自動化和控制:STM32G030J6M6可用于工業控制系統、傳感器、執行器控制、工業通信模塊等各種工業自動化和控制設備。
2、智能家居和物聯網:STM32G030J6M6適用于智能家居系統、家庭自動化設備、智能傳感器、物聯網節點等應用,以實現智能化控制和連接。
3、醫療設備:STM32G030J6M6應用于各種醫療設備,包括便攜式醫療儀器、醫療監測設備、醫療成像設備等,以實現數據采集、處理和通信等功能。
4、消費類電子產品:STM32G030J6M6可用于各種消費類電子產品,如智能手表、智能穿戴設備、智能家電、電子游戲機等。
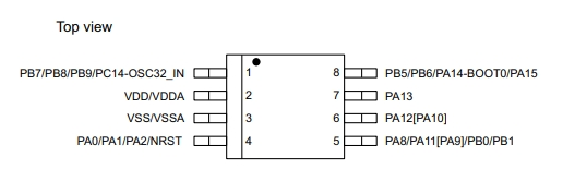
STM32G030J6M6的引腳封裝圖


STM32G030J6M6的原理圖

STM32G030J6M6的型號解釋圖

詢價列表 ( 件產品)
哦! 它是空的。