在現代電子設備中,單片機扮演著至關重要的角色。作為一種先進的單片機解決方案,意法半導體的STM32F030C8T6引起了業界的廣泛關注。本文將詳細介紹這款單片機的特點和功能,帶您深入了解它為嵌入式系統開發帶來的種種好處。

關鍵特點:
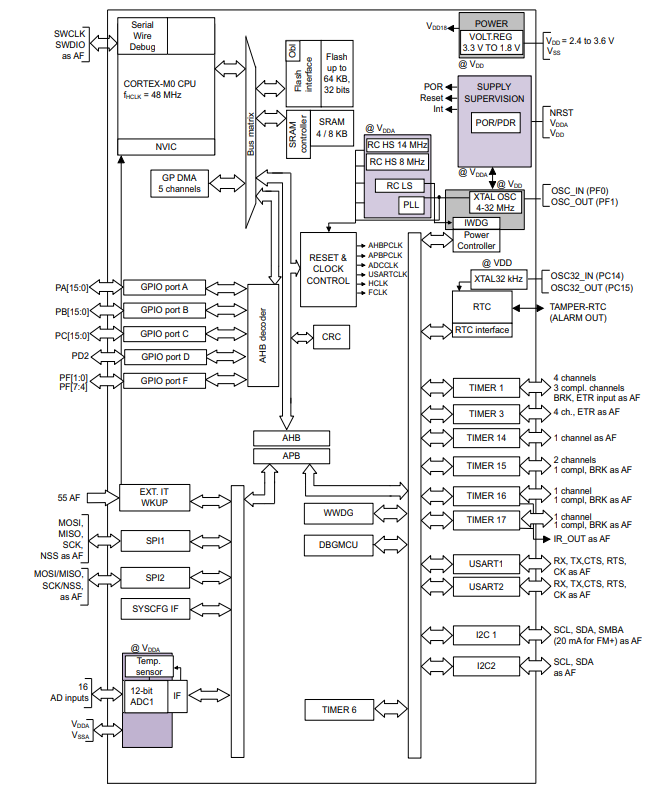
首先,讓我們來看一下STM32F030C8T6的關鍵特點,這對于了解它的優勢至關重要。該單片機采用了高性能的Cortex-M0內核,具有低功耗和高性能的特點。此外,它還具備豐富的外設功能,如多個通用IO口、定時器和USART串口通信等。這些特點使得STM32F030C8T6成為一個理想的選擇,無論是在消費電子產品還是工業控制設備中。
核心功能:
STM32F030C8T6提供了豐富的核心功能,讓開發人員能夠輕松實現各種應用。它支持多種外部存儲器接口,如SPI、I2C和USART等,方便數據的存儲和交換。此外,該單片機還內置了多個模擬接口,包括ADC和DAC,使得模擬信號的處理更加便捷。另外,它還支持多種中斷模式,可以快速響應各種事件。總之,STM32F030C8T6的核心功能涵蓋了大多數嵌入式系統的需求。
參數
– CPU頻率:48 MHz
– 存儲器:64 KB閃存、8 KB SRAM
– 外設:12位ADC、定時器、USART、SPI、I2C、PWM、USB等
– 工作電壓:2.4V-3.6V
– 封裝:LQFP48
應用
智能家居系統:借助STM32F030C8T6豐富的外設和低功耗特性,開發人員可以設計出高效的智能家居系統,實現諸如智能照明、溫度控制和遠程監控等功能。
工業自動化:STM32F030C8T6的高性能和可靠性使其成為工業自動化領域的理想選擇。它可以與各種傳感器和執行器進行通信,實現自動化控制和數據采集等任務。
智能穿戴設備:由于STM32F030C8T6的低功耗特性,它非常適合用于設計智能手表、健康監測設備和運動手環等智能穿戴設備。
引腳圖

功能方框圖

詢價列表 ( 件產品)
哦! 它是空的。