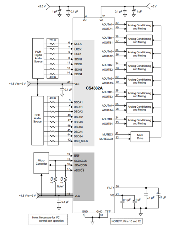
凌云CS4382A是一個完整的8通道數模系統。該D/A系統包括數字去加重、1dB步長音量控制、ATAPI通道混合、可選的快速和慢速數字插值濾波器,然后是過采樣的多位Δ-∑調制器,該調制器包括失配整形技術,可消除電容器失配引起的失真。該級之后是多元件開關電容器級和具有差分模擬輸出的低通濾波器。

CS4382A還有一個專有的DSD處理器,它允許在沒有中間抽取階段的情況下進行50 kHz的片上濾波。CS4382A有48針LQFP封裝,商用(-40°C至+85°C)和汽車等級(-40°C至+105°C)。CDB4382A客戶演示板也可用于設備評估和實施建議。
CS4382A以4 kHz至216 kHz的采樣率接收PCM數據、DSD音頻數據,并提供卓越的音質。
特征
◆先進的多位Delta Sigma架構
◆24位轉換
◆采樣率高達192 kHz
◆114 dB動態范圍
◆-100分貝THD+N
◆直接流數字(DSDm)模式
◆片上50 kHz濾波器
◆匹配的PCM和DSD模擬輸出電平
◆可選數字濾波器
◆1dB步長和軟音量控制
斜坡
◆低時鐘靈敏度
◆+5V模擬電源,+2.5V數字電源
◆為控制和串行端口提供單獨的1.8至5 V邏輯電源
應用
SACD播放器
AV re-接收器
數字電視
調音臺
效果處理器
聲卡和汽車音頻系統
引腳

典型應用圖

方框圖

詢價列表 ( 件產品)
哦! 它是空的。