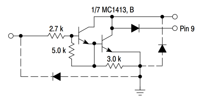
安森美MC1413DR2G產品的陣列中的七個NPN達林頓連接晶體管非常適合在各種工業和消費應用中驅動燈、繼電器或打印機錘子。它們的高擊穿電壓和內部抑制二極管確保了與電感負載相關的問題的自由。500毫安的峰值浪涌電流允許它們驅動白熾燈。
帶有2.7k串聯輸入電阻器的MC1413DR2G具有2.7k串聯輸入電阻器的B非常適合使用5.0V TTL或CMOS邏輯的系統。

參數
輸入電壓范圍:2.5V-16V
輸出電壓范圍:1.25V-13.8V
最大輸出電流:1A
輸出電壓精度:2%
工作溫度范圍:-40℃至+125℃
封裝形式:SOP16
應用
電源管理
儀器儀表
通信設備
引腳

MC1413DR2G電路示意圖

詢價列表 ( 件產品)
哦! 它是空的。