XMC4800E196K2048AAXQMA1是Infineon英飛凌生產的MCU微控制器,是一款高性能、節能MCU,也是XMC4000微控制器家族的成員,基于ARMCortex-M4處理器的核心。

一、XMC4800E196K2048AAXQMA1的中文參數
品牌:Infineon
系列:AURIX?
安裝類型:表面貼裝
封裝/外殼:LQFP144
工作溫度:-40℃~+125℃
接口:ASC, CANbus, Ethernet, FlexRay, HSSL, I2C, LINbus, MSC, PSI5, QSPI, SENT
零件狀態:Active
CPU內核:TriCore
主頻速度(Max):200MHz
I/O數:88
程序空間容量:2.5MB
程序空間類型:閃存
工作電壓(范圍):3.3V,5V
內存RAM容量:240x8KB
EEPROM容量:96x8KB
內核規格:32Bit
二、XMC4800E196K2048AAXQMA1的功能特點
1、ARM Cortex-M4 內核:XMC4000E196K2048AAXQMA1采用了ARM Cortex-M4 內核,具有高性能和低功耗的特點,適合用于各種嵌入式應用。
2、高性能的工作頻率:XMC4000E196K2048AAXQMA1可以工作在高達 200MHz 的頻率,提供了強大的計算能力和響應速度。
3、多種外設和接口:XMC4000E196K2048AAXQMA1集成了豐富的外設和接口,包括多個通用定時器、通用同步/異步串行接口、多種模擬和數字接口等,可滿足不同應用的需求。
4、內置存儲器:XMC4000E196K2048AAXQMA1具有大容量的內置存儲器,包括閃存和SRAM,在存儲和處理數據時具有很高的靈活性和效率。
5、強大的電源管理功能:XMC4000E196K2048AAXQMA1集成了豐富的電源管理功能,包括多種低功耗模式和動態電壓調節功能,能夠有效降低功耗,延長電池壽命。
6、安全性和可靠性:XMC4000E196K2048AAXQMA1支持硬件加密和安全啟動功能,能夠保護系統免受安全威脅,確保數據和代碼的安全性。
7、先進的開發工具和支持:英飛凌提供了豐富的開發工具和支持,包括集成開發環境和軟件庫,幫助開發者快速開發和調試應用程序。
三、XMC4800E196K2048AAXQMA1的應用領域
XMC4000E196K2048AAXQMA1是一款高性能、低功耗的MCU微控制器,其主要應用領域如下:
1、工業自動化:XMC4000E196K2048AAXQMA1的高性能處理能力和豐富的外設接口,使其在工業自動化領域中非常受歡迎。它可以用于控制和監控各種工業設備和系統,包括工廠自動化、智能制造和物聯網應用。
2、汽車電子:該微控制器具有強大的實時控制能力和豐富的接口,適用于汽車電子系統,如車身控制、發動機管理、傳感器數據處理等領域。
3、智能家居與物聯網(IoT):XMC4000E196K2048AAXQMA1低功耗設計和豐富的通信接口,使其非常適合智能家居設備和物聯網終端節點。它可以用于智能燈光控制、智能電能管理、環境監測等應用。
4、醫療設備:在醫療設備領域中,XMC4000E196K2048AAXQMA1可以用于控制和監測醫療設備的運行,如血壓監測儀、心電圖儀、醫療成像設備等。
英飛凌XMC4800E196K2048AAXQMA1的引腳圖

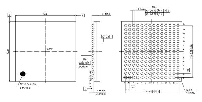
英飛凌XMC4800E196K2048AAXQMA1的封裝圖

英飛凌XMC4800E196K2048AAXQMA1的功能框圖

詢價列表 ( 件產品)
哦! 它是空的。