TI德州儀器TCAN3413 and TCAN3414 是符合 ISO 11898-2:2016 高速 CAN 規范物理層要求的控制器局域網 (CAN) FD 收發器。

此類收發器具有經過認證的電磁兼容性 (EMC),適用于數據速率高達 5 兆位/秒 (Mbps) 的傳統 CAN 和 CAN FD 網絡。這些器件可以在更簡單的網絡中實現高達 8Mbps 的運行速度。 TCAN3413 包括通過 V IO 引腳實現的內部邏輯電平轉換。允許收發器 I/O 直接連接到 1.8V、2.5V 或 3.3V 邏輯電平。此類收發器支持低功耗待機模式,并且可通過符合 ISO 11898-2:2016 所定義喚醒模式 (WUP) 的 CAN 來喚醒。
此外,該收發器支持熱關斷 (TSD)、TXD 顯性超時 (DTO)、電源欠壓檢測和 ±58V 的總線故障保護。這些器件定義了電源欠壓或浮動引腳情況下的失效防護行為。這些收發器采用業界通用的 SOIC-8、VSON-8 和節省空間的小尺寸 SOT-23 封裝。
特性
3.3 V 單電源工作
無需使用 5V 穩壓器,從而節省 BOM 成本并減小 PCB 空間
符合 ISO 11898-2:2016 物理層標準要求
支持傳統 CAN 和經優化的 CAN FD 性能(數據速率為 2、5 和 8Mbps)
具有較短的對稱傳播延遲時間,可增加時序裕量
TCAN3413:I/O 電壓范圍支持: 1.7V 至 3.6V
接收器共模輸入電壓:±30V
保護特性:
總線故障保護:±58V
欠壓保護
TXD 顯性超時 (DTO)
熱關斷保護 (TSD)
工作模式:
正常模式
支持遠程喚醒請求功能的低功耗待機模式
超低功耗關斷模式: 僅 TCAN3414
優化了未上電時的性能
總線和邏輯引腳為高阻抗(運行總線或應用上無負載)
支持熱插拔:在總線和 RXD 輸出上可實現上電和斷電無干擾運行
小型 8 引腳 SOIC SOT-23 和無引線 VSON-8 封裝,提高了自動光學檢測 (AOI) 能力
應用
? 工廠自動化
? 電網基礎設施
? 電機驅動器
? 工業運輸
簡化原理圖

方框圖

封裝

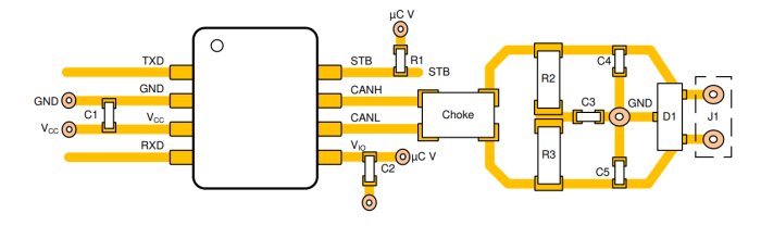
應用電路圖

實際布局實例圖

如果您需要采購或者了解TI德州儀器和其他進口品牌相關芯片產品的數據手冊、規格書、價格、樣品測試請聯系我們:4008-622-911。
詢價列表 ( 件產品)
哦! 它是空的。